Prozesse

Inhalt dieser Seite

Diese Seite enthält Informationen zu den Arbeitsprozessen, die wir für die Aufnahme, Speicherung und Bereitstellung von Ressourcen des Repositoriums nutzen.

Prozesse entsprechend des OAIS-Referenzmodels

OAIS model

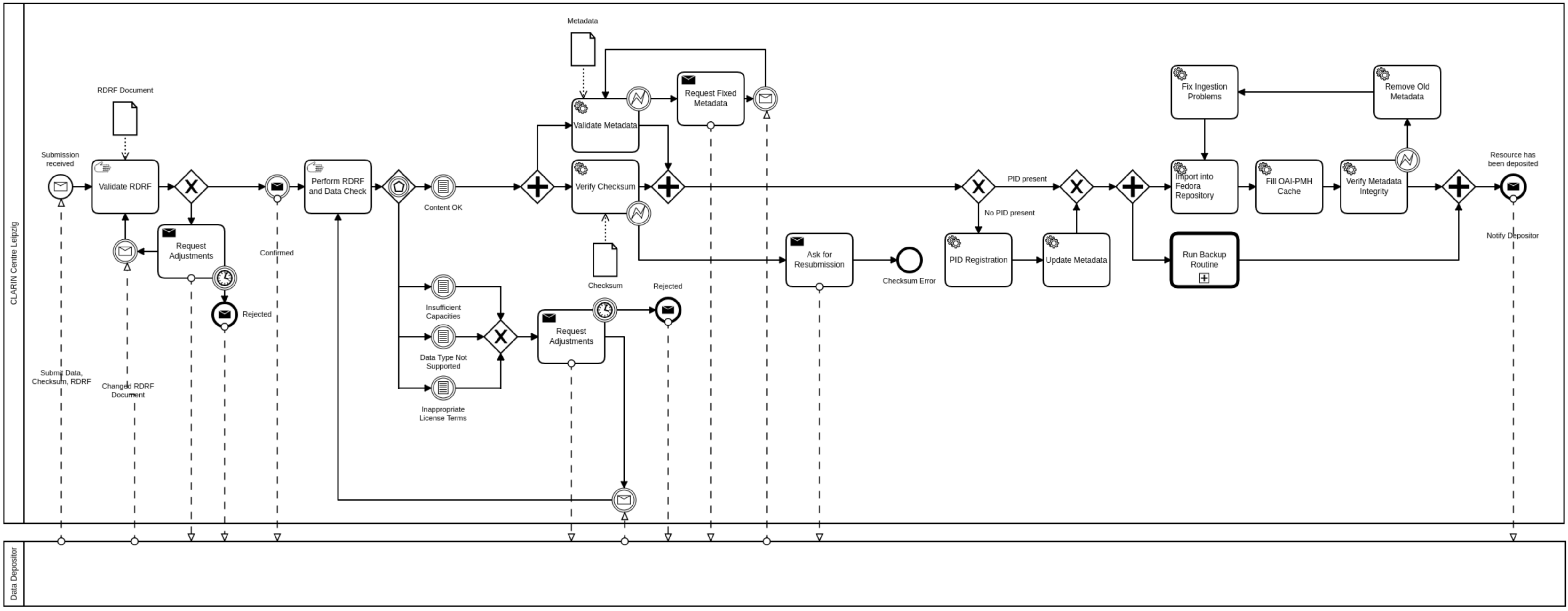
Die generellen Arbeitsprozesse des Repositoriums sind gemäß des OAIS Referenzmodells definiert und implementiert. Der OAIS-Terminologie folgend nehmen Einreichende die Rolle eines Informationsproduzenten ein, indem sie ein Submission Information Package (SIP) vorbereiten, welches (mindestens) besteht aus:
  • dem unterschriebenen Depositor's Agreement,
  • sich auf die eingereichten Daten beziehende Metadaten,
  • eine Archivdatei, welche die Daten beinhaltet und dem BagIt-Format folgt.
Weiterführende Informationen bezüglich Richtlinien zur Ressourceneinreichung, inklusive Metadaten-Spezifikationen und Datenformaten, können auf den Seiten für Datenhosting und Metadatenanforderungen eingesehen werden.

Das SIP wird in einer Begutachtungsphase verifiziert. Diese besteht aus:
  • einer Prüfung des Depositor's Agreement,
  • der Verifizierung der Metadaten,
  • der BagIt-Validierung (inklusive der Prüfsummen der Payload-Dateien).
Im Falle auftretender Unstimmigkeiten während einer dieser Schritte ist eine Wiedervorlage nötig. Wenn die Begutachtung erfolgreich war, wird das Archival Information Package (AIP), welches aus der Bagit-Archivdatei und den Metadaten der Ressource besteht, vorbereitet und in das Repositorium eingepflegt. Diese Phase umfasst:
  • Prüfung, ob ein persistenter Identifikator (PID) in den Metadaten vorliegt.
  • Falls nicht vorhanden, die Registrierung eines neuen PID und ein Update der Metadaten.
  • Einpflegen in das Fedora 6 Repositorium.
Nachdem die Ressource in das Repositorium eingepflegt wurde, werden die Metadaten regelmäßigen Fixity-Prüfungen unterzogen, sowie einer Versionierung im Falle von Updates. Aktualisierungen der Payload-Dateien selbst werden als neue Ressourcen behandelt und müssen in einem neuen Einreichungsprozess vorgelegt werden. Weiterführende Informationen bezüglich Datenaufbewahrung können auf der Seite für Aufbewahrungsrichtlinien eingesehen werden.

Dissemination Information Packages (DIP) der Ressource können mithilfe verschiedener Schnittstellen und Anwendungen abgerufen werden: Weiterführende Informationen bezüglich Zugriffsberechtigungen und Datenschutz können auf der Seite für Zugriffsberechtigungen eingesehen werden.

Ingest

Ingestion

Backup

Backup